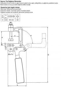
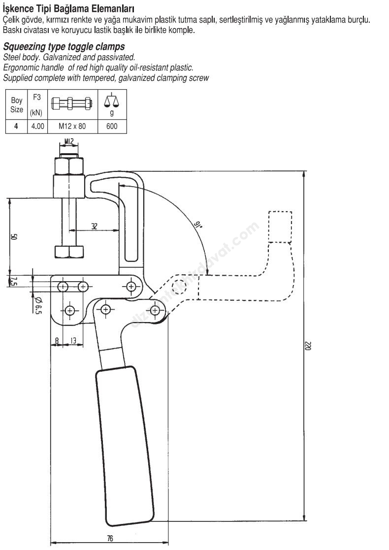
iskence-tipi-baglama-elemanlari-m70-cizmak-teknikdata-dizayntekhirdavat