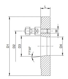
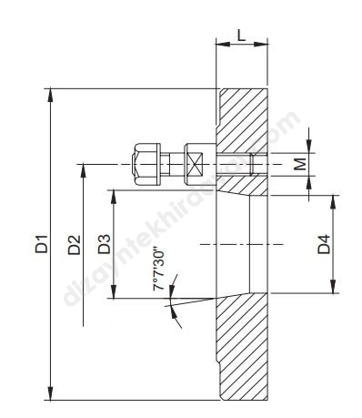
ayna-flanslari-saplama-ve-somunlu-2-temak-dizayntekhirdavat