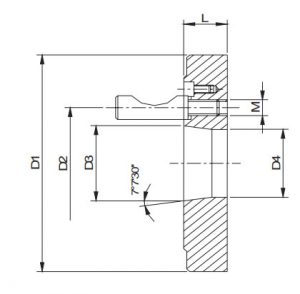
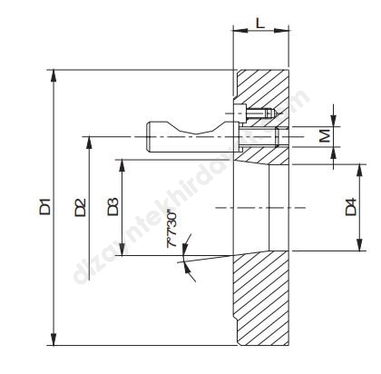
ayna-flanslari-camlock-saplamali-1-temak-dizayntekhirdavat