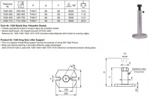
trapez-dis-yukselticili-destek-1530-er-el-teknikdata1-dizayntekhirdavat