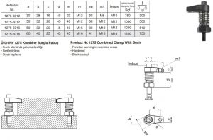
kombine-burclu-pabuc-1275-er-el-teknikdata-dizayntekhirdavat